
INNOVACERA also has brazing capabilities and can provide a one-stop service from ceramics to brazed components. This serivce allows us to offer finished hermetically sealed ceramic terminals for assembly.

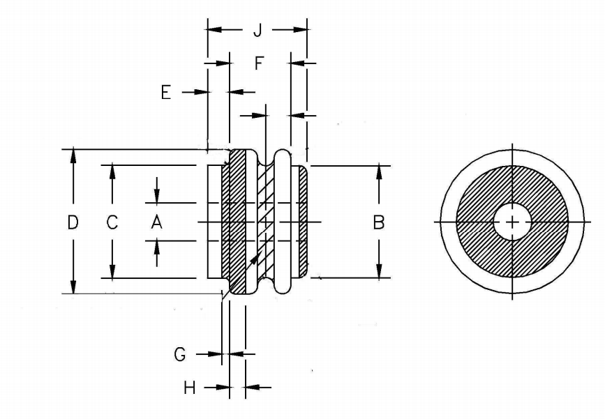
| Part # | D | A | J |
| IN-CM-400 | 0.494 | 0.143 | 0.309 |
| IN-CM-400-1 | 0.494 | 0.169 | 0.309 |
| IN-CM-400-1M | 0.494 | 0.228 | 0.309 |
| IN-CM-400-2 | 0.562 | 0.200 | 0.375 |
| IN-CM-400-2M | 0.562 | 0.250 | 0.375 |
| IN-CM-400-3 | 0.619 | 0.260 | 0.403 |
| IN-CM-400-4 | 1.000 | 0.320 | 0.500 |
| IN-CM-400-5 | 0.994 | 0.447 | 0.497 |
| IN-CM-400-6 | 0.556 | 0.200 | 0.372 |
| IN-CM-400-7 | 1.05 | 0.51 | 0.497 |
| IN-CM-400-8 | 0.744 | 0.265 | 0.372 |
| IN-CM-400-8-1 | 0.744 | 0.302 | 0.372 |
| IN-CM-400-8-2 | 0.750 | 0.344 | 0.375 |
| IN-CM-400-9 | 0.994 | 0.382 | 0.497 |
| IN-CM-400-9-1 | 0.994 | 0.382 | 0.497 |
| IN-CM-400-10 | 1.75 | 0.76 | 0.625 |
| IN-CM-400-12 | 0.556 | 0.200 | 0.278 |
| IN-CM-400-14 | 0.562 | 0.260 | 0.375 |


Enquiry